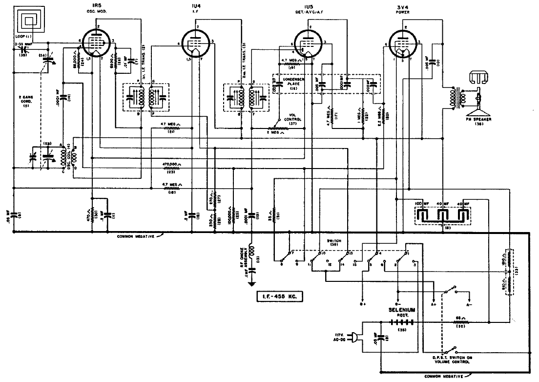
Este receptor de 4 válvulas recibía las estaciones de onda medias y tenía por diferencial el uso de un diodo de selenio en la fuente, en lugar de la válvula rectificadora.
El circuito mostrado en la figura 4 deja pasar sólo una banda estrecha de frecuencias alrededor de 1...
Este receptor experimental tiene algunas características interesantes para la presentación en...
Un motor y un juego de pilas permiten la construcción de este simple aerobarco. Si usted dispone...