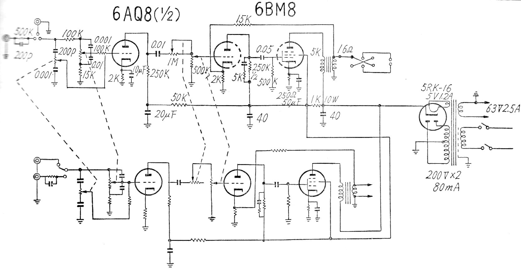
Es un pequeño amplificador estéreo con las válvulas 6BM8 en la salida. El circuito tiene una pequeña potencia, pero tiene control de tono y volumen. La fuente de alimentación se proporciona en el mismo diagrama. El circuito es de una documentación japonesa de los años 60.




