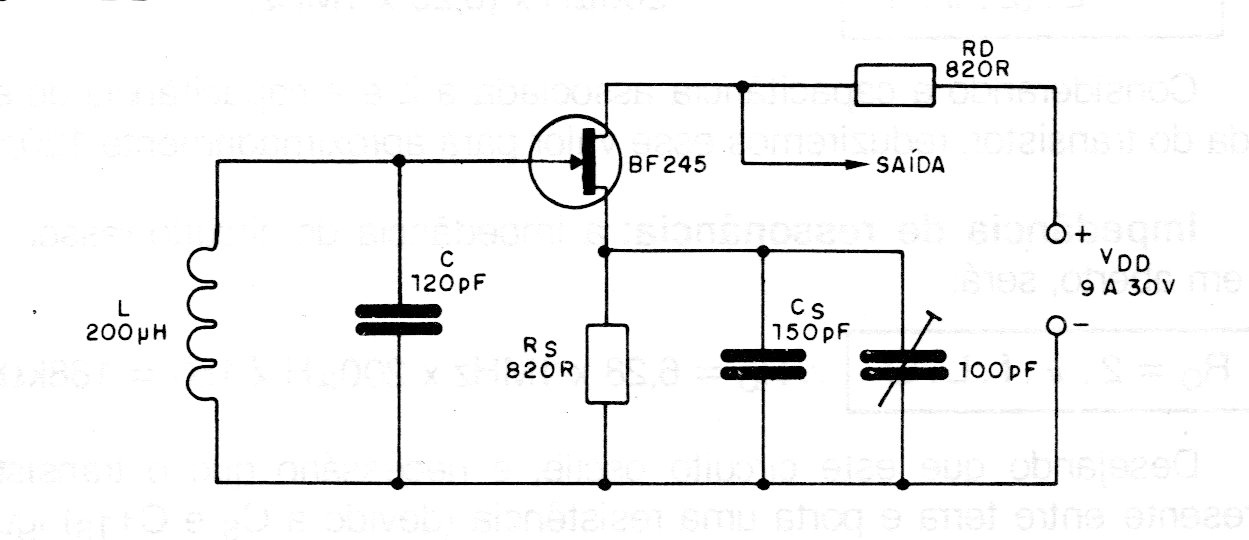
Este circuito es de una documentación técnica antigua de España. El circuito utiliza un FET que aún es muy común en nuestros días y la frecuencia depende de los valores de los componentes (L y C). Para los valores indicados la frecuencia es de 1 MHz.




