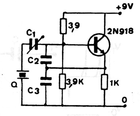
Este oscilador puede generar señales de 100 kHz hasta más de 50 MHz dependiendo del cristal usado y del transistor, que también puede ser el 2N2222. Los condensadores deben ser cerámicos y valores típicos están entre 47 pF y 220 pf dependiendo de la frecuencia.




