Tensiones de hasta 450 volts, dependiendo del transformador, pueden ser obtenidas de esta fuente, con límite de corriente que también depende de T1.
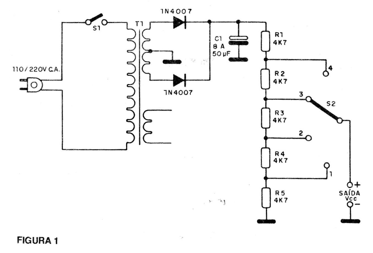
Esta fuente aprovecha un transformador de fuerza del tipo usado en viejos radios de válvulas con secundario entre 125 y 350 volts y corriente de hasta 100 mA, lo que permite obtener una fuente de hasta 600 volts. (figura 1)
La clave S2 tiene por objetivo seleccionar la tensión de salida en 4 grados que se obtienen dividiendo la tensión máxima por 5 y multiplicándose por valores entre 1 y 4.
Para un transformador de 250 V, por ejemplo, obtenemos una tensión rectificada de 250 x 1,4 = 350 volts, siendo éste el valor máximo que se puede lograr. Como dejamos R1 para una eventual limitación de corriente, la tensión máxima real será de 280 volts.
Los resistores son todos de hilo de 5 vatios de disipación.
La conexión de entrada se realiza en el caso de una tensión de red de 110 V. Si es de 220 V, los hilos utilizados son 0 y 220 V.
La llave S2 es de 1 polo x 4 posiciones. En ausencia de esta llave se puede conectar entre los resistores postes y anotar las tensiones.
Los diodos 1N4007 pueden ser sustituidos por los BY127. En la figura 2 damos el montaje en puente de terminales.
LISTA DE MATERIAL
D1, D2 - 1N4007 - diodos de silicio
C1 - 8 a 50 uF con al menos 350 V de tensión o 2 veces más que secundario del transformador usado
R1 a R5 - 4k7 x 5 W - resistores de hilo
S1 - interruptor simple
S2 - llave de 1 polo x 4 posiciones T1 - transformador de fuerza (ver texto)
Varios: puente de terminales, cable de alimentación, hilos, etc.





