Muchos equipos de sonido tienen un LED que parpadea al ritmo de la música. Usted puede incorporar un LED o un conjunto de hasta 4 LED a su sonido con este montaje simple. El circuito utiliza pocos componentes y se alimenta con pilas.
El circuito presentado hace que un conjunto de LED parpadee al sonido de la música de un sistema de sonido.
Este circuito se conecta a la salida del amplificador y puede accionar de 1 a 3 LED de cualquier color conectado en serie.
En el original, la alimentación consiste en 4 pilas comunes (hasta 2 LED), debiendo ser de 9 V a 3 LED o una pequeña fuente de alimentación aislada de la red de energía.
El potenciómetro ajusta el punto en que los LED parpadean en función del volumen de la música.
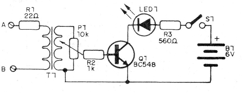
En la figura 1 tenemos el diagrama completo del LED Rítmico.
En la figura 2 mostramos el montaje elemental usando la técnica improvisada de la matriz del puente de terminales, sin embargo se puede realizar con ventajas el montaje en placa de circuito impreso.
Todos los componentes son comunes y el capacitor C1 determina la velocidad de la respuesta del circuito a las variaciones de sonido, pudiendo ser cambiado.
El transformador puede ser un pequeño transformador de alimentación con primario de 110 V y secundario de 12 V con 200 o 300 mA.
También se puede utilizar un pequeño transformador de salida extraído de una vieja radio de transistores.
Para utilizar el aparato, debe conectarse en paralelo con el altavoz, como se muestra en la figura 3.
Ajuste P1 para que, con el volumen de sonido utilizado, el LED parpadee normalmente.
Lista de material
Q1 - BC548 - transistores NPN de uso general
T1 - Transformador - ver texto
B1 - 6 o 9 V - pilas, batería o fuente
S1 - Interruptor simple
P1 - 10k o 22k - pote
R1 - 22 ohms - resistor - rojo, rojo, negro
R2 - 1k ohms x 1/8 W - resistor - marrón, negro, rojo
R3 - 560 ohms x 1/8 W - resistor - verde, azul, marrón
Varios:
Puente de terminales, soporte de pilas, hilos, soldadura, etc.






