Un considerable refuerzo de los sonidos agudos, centrados en 5 kHz, se puede obtener con este circuito. Con él usted puede utilizar un amplificador exclusivamente para alimentar un conjunto de tweeters, con respuesta exclusiva en el rango de agudos y un total aprovechamiento de la potencia.
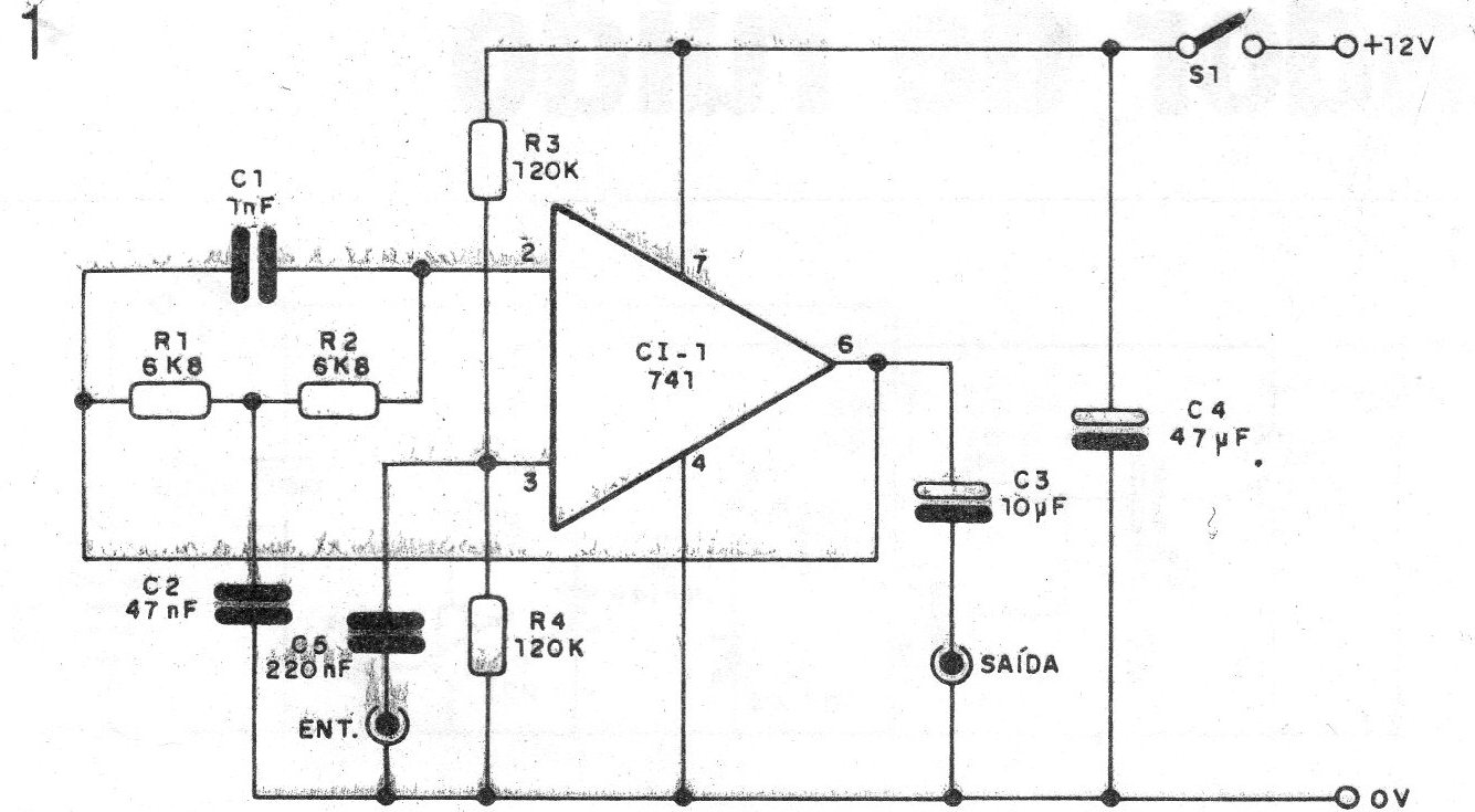
Como podemos ver por el circuito de la figura 1, el corazón del proyecto es un amplificador operacional 741 (pero equivalentes pueden ser experimentados), que posee una red de realimentación selectiva, que está sintonizada para una frecuencia de aproximadamente 5kHz.
La placa de circuito impreso para este proyecto rápido se muestra en la figura 2.
Como se trata de circuito que opera con señales de baja intensidad es muy importante observar los blindajes de las entradas y salidas.
La alimentación de 12 V debe ser hecha con fuente bien filtrada, o aprovechada del propio amplificador que este circuito debe excitar.
La sensibilidad del circuito es del orden de 100 mV y la impedancia de salida de 150 ohmios.
Los resistores usados son todos de 1/8 o ¼ W con 5 ° / o 10% de tolerancia y los electrolíticos para 12 V o más. Los demás capacitores pueden ser de poliéster o cerámica.
Una aplicación muy interesante para este proyecto es en conjunto musicales reforzando el sonido agudo de guitarras.
LISTA DE MATERIAL
CI-1 - 741 - circuito integrado
S1 - interruptor simple
C1 - 1 nF - capacitor de cerámica
C2 - 4nF - capacitor de cerámica o de poliéster
C3 - 10 uF - capacitor electrolítico
C4 - 47 uF - capacitor electrolítico
C5 - 220 nF - capacitor de cerámica o de poliéster
R1, R2 - 6k8 - resistores (azul, gris, rojo)
R3, R4 - 120 k - resistores (marrón, rojo, amarillo)
Varios: placa de circuito impreso, hilos blindados, jack de entrada y salida, caja para montaje etc.





