Antes, del advenimiento del transistor se podía hacer una radio con amplificación para la señal apenas usando válvulas. Tenemos entonces una versión equivalente de nuestra radio simple transistorizada en la que se emplea una válvula triodo. El circuito de radio simple con válvula se muestra en la figura 1.

 


 

 

 

   La parte de sintonía es la misma, pero en el caso, como la válvula comporta exactamente como un diodo además de amplificar las señales, no es necesario usar el cristal para esta función.

 

   Las señales separadas por el circuito de sintonía son entonces llevadas a la rejilla de la válvula que es su elemento de entrada. las señales amplificadas se extraen de su placa y se llevan al auricular.

 

   Una radio de este tipo presenta algunos problemas en lo que se refiere a la alimentación de la válvula. Estos componentes existen dos baterías para alimentar sus circuitos y estas baterías no son fáciles de obtener en la actualidad.

 

   Una de las baterías y de baja tensión, normalmente 6 V para alimentar el filamento de la válvula o sea, para hacer el calentamiento de la válvula, mientras que la otra batería debe proporcionar una tensión entre 80 y 250 V para la alimentación del circuito de ampliación propiamente dicho .

 

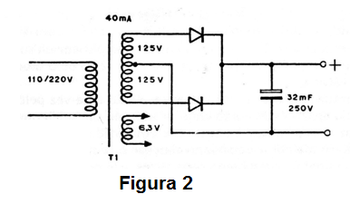
   En la figura 2 damos un circuito alternativo para alimentación de este / radio en que se utiliza un transformador que convierte los 110 V o 220 V de la red local en las dos tensiones que la radio necesita para funcionar.

 

   Ver que los 6 V son llevados directamente al filamento de la válvula mientras que la alta tensión debe antes pasar por un proceso de rectificación y filtraje. a través de dos, diodos y un capacitor antes de ser llevada a la válvula.

 


 

 

 

 

   Esta radio tampoco presenta sensibilidad para alimentar un altavoz y debe funcionar con una antena relativamente larga, sobre todo si las estaciones que desea oír están distantes o débil.

 

   Evidentemente los dos radios que mostramos son sólo curiosidades que se pueden encontrar en museos o montados por principiantes y aficionados no se trata de aparatos comerciales ya que sus desempeños dejan mucho que desear.

 

   Mientras que el consumo de corriente del tipo transistorizado es de sólo algunos mA lo mismo no ocurre con el tipo de válvula. La corriente para el calentamiento del filamento de la válvula puede llegar en algunos casos a 250 mA y la Corriente de la batería principal de alta tensión es del orden de 20 mA o más.

 

   ¿Qué tipos de problemas puede presentar una radio de este tipo?

 

   La radio la válvula puede tener en primer lugar problemas con la propia válvula amplificadora que está sujeta a la quema o al debilitamiento. En la quema lo que ocurre es la interrupción de su filamento cuando entonces la misma ya no puede ser calentada dejando de funcionar.

 

   En el debilitamiento lo que se nota es una pérdida de rendimiento con una caída en el volumen del sonido obtenido.

 

   Otros componentes pueden también presentar defectos en caso de la bobina de antena que puede tener sus espiras interrumpidas, la propia antena que puede colocar en objetos que desvían sus señales, la conexión a tierra deficiente y el condensador variable que presenta placas en corto.

 

   En todos estos casos la radio presentará anormalidades de funcionamiento y el componente responsable de ello será sustituido.